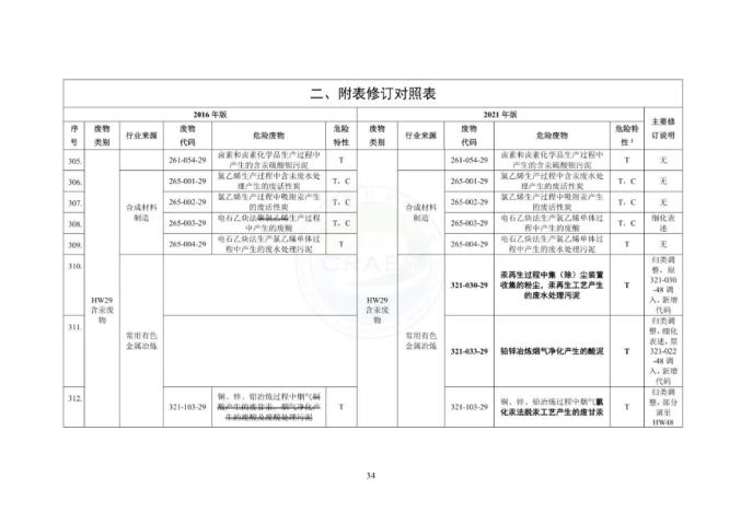
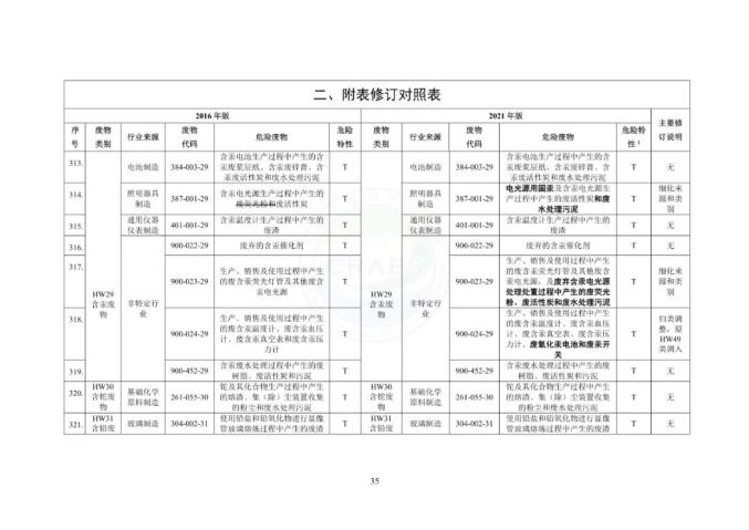
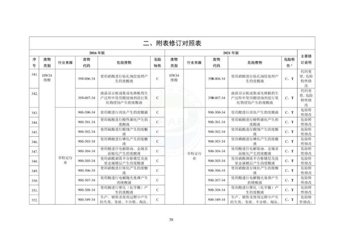
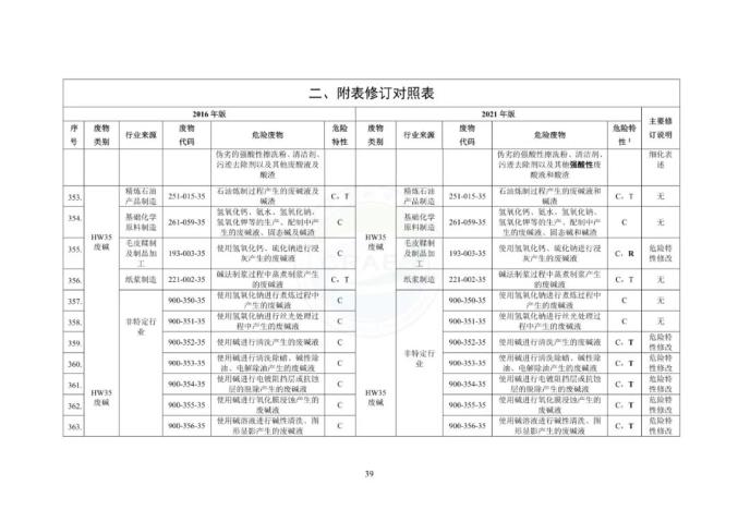
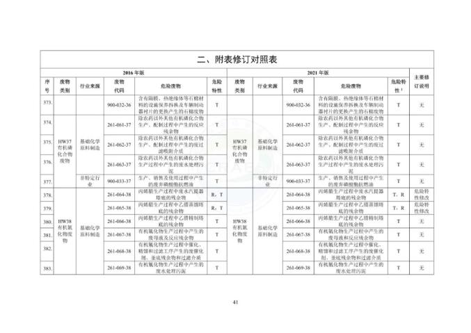
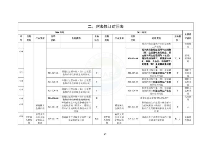
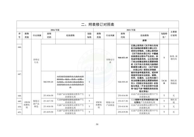
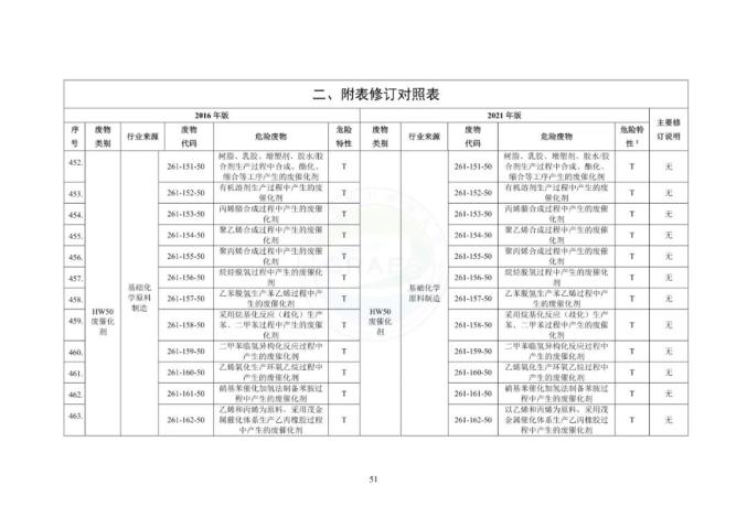
2020年11月25日,生态环境部、国家发展改革委、公安部、交通运输部和国家卫生健康委修订发布了《国家危险废物名录(2021年版)》(以下简称《名录》)。针对《名录》修订情况及使用过程中常见的一些问题,《名录》编制组编写了解答材料,供《名录》使用中参考。
以下内容根据解答材料编辑
Q:
新《名录》实施后,地方生态环境部门和企业需要做哪些衔接工作?
A:
本次《名录》修订新增减了部分危险废物以及部分废物代码发生了变化,地方生态环境部门和相关企业需要做好《名录》实施与危险废物管理计划、转移联单、许可证等环境管理制度衔接工作。例如:
1)相关企业产生的危险废物种类或代码等发生变化的,应及时变更危险废物管理计划和排污许可证等信息。
2)危险废物收集、综合许可证中相关危险废物种类和代码等发生变化的,持证企业和地方生态环境部门应及时作出变更。3)申请危险废物跨省转移的危险废物种类或代码等发生变化的,相关企业应对转移计划进行变更并重新提交转移申请。
Q:
本次《名录》修订删除正文中医疗废物和废弃危险化学品相关条款(第三条和第四条)的主要考虑是什么?
A:
本次修订并非简单删除《名录》正文中医疗废物和废弃危险化学品相关条款,而是将有关内容进一步完善和细化后纳入《名录》附表中,更加科学和严谨。
关于医疗废物,《固体废物污染环境防治法》规定“医疗废物按照国家危险废物名录管理”。《名录》不再简单规定“医疗废物属于危险废物”,而是在《名录》附表中列出医疗废物有关种类,且规定“医疗废物分类按照《医疗废物分类目录》执行”。关于废弃危险化学品,一是进一步明确了纳入危险废物环境管理的废弃危险化学品的范围。《危险化学品目录》中危险化学品并不是都具有环境危害特性,废弃危险化学品不能简单等同于危险废物,例如“液氧”“液氮”等仅具有“加压气体”物理危险性的危险化学品。二是进一步明确了废弃危险化学品纳入危险废物环境管理的要求。有些易燃易爆的危险化学品废弃后,其危险化学品属性并没有改变;危险化学品是否废弃,监管部门也难以界定。因此,《名录》针对废弃危险化学品特别提出“被所有者申报废弃”,即危险化学品所有者应该向应急管理部门和生态环境部门申报废弃。响水“3·21”事故的主要原因就是由于企业既没有按照国家有关标准将废弃危险化学品稳定化处理后纳入危险废物环境管理,也没有向应急管理部门和生态环境部门申报,逃避监管,酿成重大事故。
Q:
“点对点”定向利用豁免是出于何种考虑?如何操作实施?
A:
豁免管理制度在2016年版《名录》中首次提出后,对促进危险废物利用发挥了积极作用。但危险废物种类繁多,利用方式多样,难以逐一作出规定,需要各地结合实际实行更灵活的利用豁免管理,进一步推动危险废物利用。因此,《名录》特别提出“在环境风险可控的前提下,根据省级生态环境部门确定的方案,实行危险废物‘点对点’定向利用”。
生态环境部2019年印发实施《关于提升危险废物环境监管能力、利用处置能力和环境风险防范能力的指导意见》后,山东、江苏等地已经探索开展了危险废物“点对点”定向利用豁免管理相关工作,效果良好。下一步,在“点对点”定向利用豁免管理实施过程中,各省级生态环境部门可结合本地实际制定实施细则,组织开展相关工作。
Q:
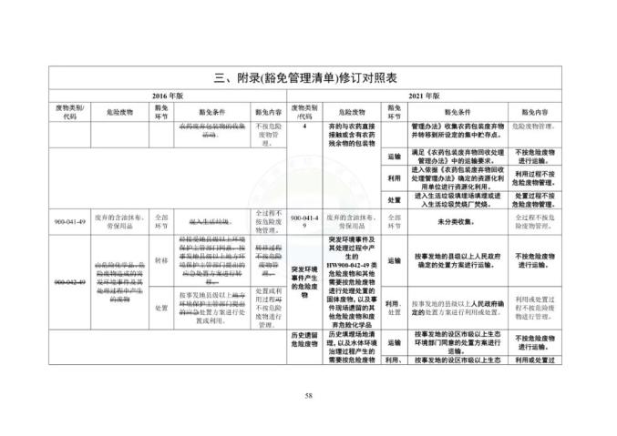
列入《名录》豁免清单中的废物是否不属于危险废物?
A:
《危险废物豁免管理清单》仅豁免了危险废物特定环节的部分管理要求,并没有豁免其危险废物的属性。
Q:
附录《危险废物豁免管理清单》中豁免内容的具体含义是什么?
A:
《危险废物豁免管理清单》的“豁免内容”指可不按危险废物管理的内容。其具体含义如下:
1)全过程不按危险废物管理:全过程均豁免,各管理环节无需执行危险废物环境管理规定。需要强调,除“全过程不按危险废物管理”的情景下的危险废物转移过程,以及收集过程豁免条件下危险废物收集并转移到集中贮存点的转移过程可不运行转移联单外,其他豁免情景下转移危险废物的,均需运行危险废物转移联单。
2)收集过程不按危险废物管理:满足《名录》豁免清单规定的收集豁免条件,收集单位可不需要持有危险废物收集许可证,收集并转移至集中贮存点的转移过程可不运行转移联单;集中收集后的贮存以及其他环节仍按照危险废物进行管理。
3)利用过程不按危险废物管理:满足《名录》豁免清单规定的利用豁免条件,利用企业可不需要持有危险废物综合许可证;需运行转移联单,且在利用企业内的贮存等其他环节仍按照危险废物进行管理。
4)填埋(或焚烧)处置过程不按危险废物管理:满足《名录》豁免清单规定的填埋(或焚烧)处置豁免条件,填埋(或焚烧)处置企业可不需要持有危险废物综合许可证,填埋(或焚烧)的污染控制执行豁免条件规定的要求;需运行转移联单,且在处置企业内的贮存等其他环节仍按照危险废物进行管理。
5)水泥窑协同处置过程不按危险废物管理:满足《名录》豁免清单规定的水泥窑协同处置豁免条件,水泥企业可不需要持有危险废物综合许可证,协同处置过程的污染控制执行豁免条件规定的要求;需运行转移联单,且在处置企业内的贮存等其他环节仍按照危险废物进行管理。
6)不按危险废物进行运输:运输过程可不按危险货物运输,运输过程的污染控制执行豁免条件规定的要求;需运行转移联单。
Q:
本次修订删除的废物,以及《名录》中用括号注明的“不包括…”的废物,是不是意味着其不属于危险废物了?
A:
根据危险废物的法律定义,列入《名录》的废物属于危险废物,未列入《名录》废物根据国家规定的危险鉴别标准和鉴别方法认定具有危险特性的也属于危险废物。
本次修订删除的废物,以及《名录》中用括号注明的“不包括…”的废物,均属于未列入《名录》的废物。对于这些废物,若不能通过工艺分析等排除其存在危险特性,则需进一步根据《危险废物鉴别标准》(GB5085.1~7)和《危险废物鉴别技术规范》(HJ 298)等判定是否属于危险废物。
Q:
对于满足利用或处置豁免的危险废物,如在利用或处置前,交由另外一家企业进行预处理,预处理环节是否豁免?另外,豁免的处置环节产生的废物是否适用衍生原则?
A:
《名录》第三条规定“列入本名录附录《危险废物豁免管理清单》中的危险废物,在所列的豁免环节,且满足相应的豁免条件时,可以按照豁免内容的规定实行豁免管理”,预处理环节不在所列的豁免环节,因此,该环节不能豁免。
另外,《危险废物豁免管理清单》仅豁免了危险废物特定环节的部分管理要求,并不是豁免其危险废物属性。因此,豁免的处置环节产生的废物仍应按照《国家危险废物名录》《危险废物鉴别标准》(GB5085.1~7)《危险废物鉴别技术规范》(HJ 298)等确定其危险废物属性。
Q:
在判定废物是否属于列入《名录》的危险废物及其类别时,是优先根据行业来源判断,还是废物描述优先?
A:
危险废物来源广泛,存在同一种废物来源于多个行业的现象。《名录》中的行业代码指的是该种废物的主要产生行业来源,不是唯一来源。因此,在判定废物是否属于列入《名录》的危险废物及其类别时,应该采取以废物描述为主,以行业来源为辅的原则,当两者发生矛盾或不一致时,应以废物描述作为主要判断依据。
Q:
大修渣无害化处理后的废渣如果作为原料做砖或铺路,铝灰作为其他企业的原料生产铝酸钙,是否可以向省级生态环境部门申请进行点对点定向利用,该情形下,利用企业是否不需要持有危险废物综合许可证?
A:
危险废物“点对点”定向利用豁免满足《名录》规定的相应豁免条件,并确保风险可控情况下,根据省级生态环境部门确定的方案进行定向利用时,企业可以不需要持有危险废物综合许可证。
Q:
根据900-252-12“使用油漆(不包括水性漆)、有机溶剂进行喷漆、上漆过程中产生的废物”,水性漆渣是否不属于危险废物?
A:
“不包括水性漆”是指水性漆渣不属于列入《名录》的危险废物,其是否属于危险废物需要根据《危险废物鉴别标准》(GB5085.1~7)《危险废物鉴别技术规范》(HJ 298)等予以判定。
Q:
外墙涂料是否属于900-255-12类废物,即“使用各种颜料进行着色过程中产生的废颜料”?
A:
900-255-12是指使用各种颜料进行着色过程中产生的废颜料,外墙涂料不属于颜料,因此废弃的外墙涂料不属于900-255-12类废物。
此外,废弃的外墙涂料的属性应根据其外墙涂料的组成成分,明确是否属于水性涂料,属于水性涂料的不属于900-299-12类废物。
Q:
水性油墨印刷产生的清洗墨辊废水和废水处理污泥是否属于900-299-12“生产、销售及使用过程中产生的失效、变质、不合格、淘汰、伪劣的油墨、染料、颜料、油漆(不包括水性漆)”类废物?
A:
水性油墨印刷产生的清洗墨辊废水和废水处理污泥不属于《名录》中的900-299-12类废物。
Q:
大修渣湿法处理设施使用的循环水和循环水池的污泥是否属于772-006-49类废物?
A:
应首先依据《固体废物鉴别标准 通则》判断循环水是否属于固体废物,若不属于固体废物,则不属于危险废物。
大修渣湿法处理设施使用的循环水池的污泥属于772-006-49类废物。
Q:
900-047-49是否包括企业的化验室产生的实验室废物。
A:
包括。
Q:
336-100-21和336-100-17均包含“使用铬酸进行阳极氧化产生的废槽液、槽渣和废水处理污泥”,是出于什么样的考虑?
A:
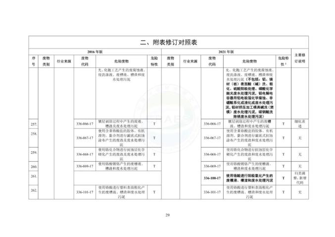
《名录》中的危险废物是按照产生源和物质组成混合分类,分类体系不统一。今后,拟逐渐推行并统一为按产生源分类。2016年版《名录》中,该废物归在HW21项下,属于按物质组成归类;新《名录》中,将其归在HW17项下,实行产生源归类。但考虑到此类废物产生源较多,为避免短期内出现大量因废物代码变化导致的废物转移处置不畅的问题,故作特殊过渡处理,新《名录》的HW21中仍保留了该类废物。
因此,新《名录》实施后,该类废物在管理过程归为两类皆可,具有336-100-21和336-100-17类利用处置资质的设施均可处理该类废物。
Q:
不锈钢电炉炼钢除尘灰应纳入HW21还是HW23?
A:
不锈钢炼钢除尘灰中以含锌为主,因此应归为HW23。
Q:
900-041-49“含有或沾染毒性、感染性危险废物的废弃包装物、容器、过滤吸附介质”属于危险废物,含有或沾染腐蚀性、易燃性危险废物的废弃包装物是否属于《国家危险废物名录》中的废物?
A:
含有或沾染具有腐蚀性、易燃性危险废物的废弃包装物不属于《名录》中的废物,其是否属于危险废物需要根据《危险废物鉴别标准》(GB5085.1~7)《危险废物鉴别技术规范》(HJ 298)予以认定。
Q:
221-002-35“碱法制浆过程中蒸煮制浆产生的废碱液”指的是造纸黑液还是白液?
A:
碱法(烧碱法和硫酸盐法)蒸煮制浆产生的黑液和白液均属于废碱液,属于《名录》中的221-002-35类废物。
Q:
关于《名录》豁免清单中900-249-08“废铁质油桶,封口处于打开状态、静置无滴漏且经打包压块后用于金属冶炼”,是否可以理解为废油桶倒置没有油流出即可?另外,铁质废油漆桶是否可以参照执行?
A:
废油桶倒置没有油流出可视为满足“打开状态、静置无滴漏”的条件,但是对其“金属冶炼”利用过程实施豁免还应满足“经打包压块后”这一条件。
铁质废油漆桶不在《名录》豁免清单范围内。
Q:
根据《名录》豁免清单,321-024-48、321-026-48类废物中的铝灰渣和二次铝灰回收金属铝利用过程不按危险废物管理,是否可以理解为铝灰渣和铝灰可以外售其他企业提炼铝?
A:
从铝灰渣和二次铝灰回收金属铝的企业无需持有危险废物综合许可证,但除此以外该类废物的其他环境管理和污染控制,仍需执行危险废物的相关规定。
Q:
根据《名录》豁免清单,900-041-49“废弃的含油抹布、劳保用品”在未分类收集的条件下,全过程可不按危废管理。是否可以理解为含油抹布可以直接随其他垃圾一起处理?
A:
废弃的含油抹布、劳保用品等应按照国家有关法律法规要求进行分类收集。同时,为解决不具备分类收集条件且混入少量危险废物的生活垃圾处理问题,《名录》规定已经混入生活垃圾的含油抹布、劳保用品等实施全过程豁免。
Q:
《名录》豁免清单中900-249-08“废铁质油桶(不包括900-041-49类)”是否包含盛装废矿物油的铁质废油桶?
A:
盛装废矿物油的废铁质油桶属于900-041-49类废物,盛装矿物油的废铁质油桶属于900-249-08类废物。两类废物的区别在于前者是盛装废矿物油,后者是盛装矿物油。本条款豁免的是900-249-08类废物,而900-041-49类废物由于其所盛装的废矿物油组分复杂,利用过程环境风险较大,因此未被纳入豁免管理,故不在该条豁免范围内。
Q:
900-015-13类废物中的“工业废水处理过程产生的废弃离子交换树脂”如何理解?工业企业锅炉软化水在处理过程中产生的废弃离子交换树脂是否属于该类废物?
A:
该条款中所称的工业废水特指工业企业工艺生产过程产生的废水,不包含工业企业锅炉软化水。因此,工业企业锅炉软化水处理过程产生的废弃离子交换树脂不属于该类废物。
Q:
《名录》豁免清单规定,HW34类废物中仅具有腐蚀性危险特性的废酸,作为工业污水处理厂污水处理中和剂利用,且满足一定条件时,利用过程不按危险废物管理。如何理解该条款中所称“工业污水处理厂”?另外,豁免清单中HW35类废物对应条款中的“工业污水处理厂”如何理解?
A:
该条款中所称“工业污水处理厂”不仅仅指专门从事工业污水处理的处理厂,还包含工业废水产生企业车间污水处理设施,以及工业废水产生企业自有的工业污水处理设施。
与此类似,《危险废物豁免管理清单》中HW35类废物对应条款中的工业污水处理厂也包含工业废水产生企业车间污水处理设施,以及工业废水产生企业自有的工业污水处理设施。
Q:
如何理解900-013-11“其他化工生产过程(不包括以生物质为主要原料的加工过程)中精馏、蒸馏和热解工艺产生的高沸点釜底残余物”中的“高沸点”?
A:
精馏、蒸馏和热解过程中被提纯的物质及其所含杂质的沸点各不相同,有高有低,比要得到的物质沸点高的称为“高沸点杂质”。因此,精馏、蒸馏和热解工艺过程,被提纯后残留于釜底的均属于“高沸点残余物”。




































































版权归原作者所有,如有侵权请及时联系我们
▌投稿:zjaqkjxh@sina.com
原标题:《《国家危险废物名录(2021年版)》常见问题解答》